Production description:
WTZK type temp. controller is an electrical switch that can make circuit close or open following change of controlled medium temp. It can be used to support performance structure in ship, freeze instrument or other industrial equipment by controlling temp. of gas, liquid or steam through two position type.
Main technical specification: | Temperature regulating range (ºC) | -25~0, -15~+15, 10~40, 40~80, 60~100, 80~120, 110~150, 130~170 |
| Switching error (ºC) | 3~5 |
| Accuracy (ºC) | ±2 |
| Repeatability error | ≤2 |
| Contact capacity | AC380V 3A, DC220V 2.5A |
| Protection class | IP44 |
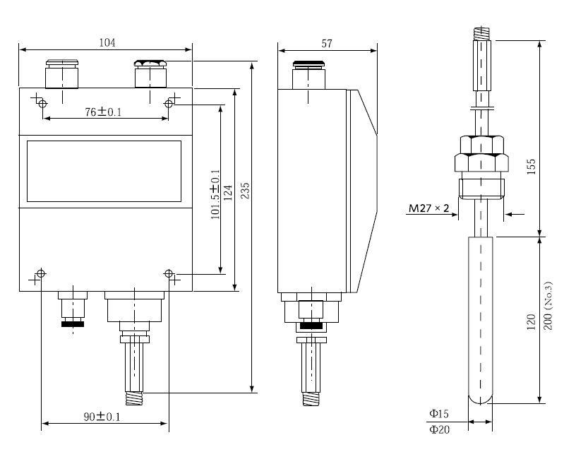
Order note: Normally connection thread is M27*2, capillary length 5 meters.
Model sign:

Contact form:

Sketch:






Q: Are you a manufacturer or trading company?
A: We are a professional trading company focusing on marine equipment, parts and materials for more than15 years.
Q: What ship parts and materials does your trading company specialize in?
A: We specialize in various ship parts and materials such as instruments, sensors, lighting fixtures, deck parts, safety equipment, navigation equipment, diesel engine, electrical equipment, and more.
Q: How is the quality of your products guaranteed?
A: We source our ship parts and materials from reliable manufacturers and suppliers who meet our strict quality standards. We also conduct regular quality control checks to ensure that our products meet the industry's standards.
Q: Do you offer any warranties for your products?
A: Yes, we offer warranties for most of our products, depending on their type and application. The specific warranty period and terms will be discussed with our clients during the negotiation process.
Q: What kind of packing, shipping and delivery options do you offer?
A: Generally, we pack our products in neutral cartons or export wooden cases. We offer various shipping and delivery options to meet the needs of our clients. These options include air freight, sea freight, and land transportation. We can also arrange for customs clearance and door-to-door delivery services.
Q: Are you able to source and supply custom-made products?
A: Yes, we have established partnerships with various manufacturers and suppliers who can provide custom-made products according to our clients' specific needs and requirements.
Q: What is your pricing policy for your products?
A: Our pricing policy is competitive and transparent. We consider factors such as the volume of the order, the type of product, and the delivery options when determining our prices. We also offer bulk order discounts and special promotions from time to time.
Q: What payment options do you offer?
A: We offer various payment options such as wire transfer and online payment platforms. The specific payment ter